本廠生產的ZHYH46品、zHYH46ei型微阻緩閉蝶式止回閥可用在清水、污水、海水等介質的供排水管道上既能防止介質的倒流又能有效地限制破壞性水錘保證管線的安全使用。該止回閥結構新穎、體各小、密封可靠、啟瑚平穩、耐磨損、使用壽命長、油壓緩胡不受介質影響、流阻小、應用范圍廣并且有較好的節能效果。

| 型 號 | 閥體、蝶板 | 閥桿、活塞、缸套 | 閥座 | 彈簧 |
|---|---|---|---|---|
| ZHYH46H/W-16/25/40CP ZHYH46ej-16/25 |
碳鋼、不銹鋼 | 不銹鋼 | 不銹鋼 | 不銹鋼 |
| 型號 | 公稱壓力 PN(MPo) |
試驗壓力Ps(MPa) | 工作溫度 (℃) |
適用介質 | |
|---|---|---|---|---|---|
| 殼體 | 密 封 | ||||
| ZHYH46H/W-16/25/40CP ZHYH46ej-16/25 |
1.6 | 2.4 | 1.76 | ≤120 | 清水 污水 海水 |
| 2.5 | 3.75 | 2.75 | |||
| 4.0 | 6.0 | 4.4 | |||
(PN16、PN2.5、PN4.0MPa按JB/T79 94標準)
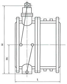
| 公稱通徑DN(mm) | L | H | H1 |
|---|---|---|---|
| 100 | 240 | 280 | 115 |
| 125 | 260 | 290 | 142 |
| 150 | 275 | 310 | 172 |
| 200 | 305 | 350 | 210 |
| 250 | 340 | 415 | 240 |
| 300 | 370 | 450 | 264 |
| 350 | 400 | 480 | 294 |
| 400 | 435 | 550 | 324 |
| 450 | 470 | 585 | 351 |
| 500 | 500 | 640 | 379 |
| 600 | 560 | 720 | 434 |
| 700 | 620 | 750 | 491 |
| 800 | 680 | 792 | 549 |
| 900 | 740 | 900 | 600 |
| 1000 | 800 | 975 | 655 |
| 1200 | 920 | 1140 | 770 |
主營產品:氣動調節閥 - 電動調節閥 - 自力式調節閥
版版權所有 © 上海大田閥門管道工程有限公司
地址:上海市浦東新區川宏路528號宏圖大樓5樓
