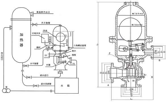
T47H-16c或Q浮球式疏水調節閥(引進前蘇聯原型號T47H16c浮球式調節閥)適用于電站、化工、制藥、造紙等行業具有加熱器的工業部門,用于除氧汽水箱水位的調節。有效控制加熱器中的水量多少的必須設備。
當前疏水閥廣泛地應用于城建、化工、冶金、石油、制藥、食品、飲料、環保中。

| 產日型號 | 公稱通徑 | 主要外形尺寸 | 連接尺寸 | |||||||||||||||
|---|---|---|---|---|---|---|---|---|---|---|---|---|---|---|---|---|---|---|
| 長 | 寬 | 高 | L1 | L2 | M | A-D | D1 | D2 | b | z-Φd | DN | B-D | D1 | D2 | b | Z-Φd | ||
| T41H-16C | 40 | 460 | 540 | 964 | 160 | 240 | 385 | 145 | 110 | 85 | 18 | 4×18 | 40 | 145 | 110 | 85 | 18 | 4×18 |
| 50 | 160 | 125 | 100 | 20 | 4×18 | |||||||||||||
| 80 | 195 | 160 | 135 | 22 | 8×18 | |||||||||||||
| 100 | 215 | 180 | 155 | 25 | 8×18 | |||||||||||||
| 150 | 470 | 560 | 980 | 280 | 240 | 210 | 30 | 8×23 | ||||||||||
溫馨提示:
本文中所有文字、數據、圖片均只適用于參考。需要查看更多的T47H-16C浮球式疏水調節閥性能參數、結構尺寸參數、價格等詳情,或要求印刷樣本,請聯系我們。
主營產品:氣動調節閥 - 電動調節閥 - 自力式調節閥
版版權所有 © 上海大田閥門管道工程有限公司
地址:上海市浦東新區川宏路528號宏圖大樓5樓
